


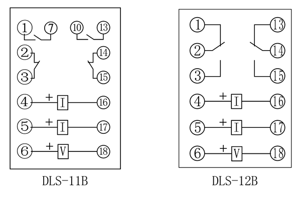
产品型号:DLS-11B双位置继电器
触点形式:2常开2常闭
额定电压:48V、110V、220V(DC)
安装方式:导轨安装
| 型号 | 触点形式 | 额定电压 |
| DLS-11B | 2常开2常闭 | DC:48V、110V、220V |
| DLS-12B | 2转换 | DC:48V、110V、220V |







联系电话
微信扫一扫
