


触点形式
1动合、1动合1信号、1转换、1转换1信号
额定电流
2~20A(无辅助电源),极差0.1A
速动倍速整定
2~9.9倍,极差0.1倍
速动延时整定
0~0.9S,极差0.1S
定时限延时整定
0.1~99.9S,极差0.1S
反时限曲线K值
0.1~99.9

触点形式
1动合、1动合1信号、1转换、1转换1信号
额定电流
2~20A(无辅助电源),极差0.1A
速动倍速整定
2~9.9倍,极差0.1倍
速动延时整定
0~0.9S,极差0.1S
定时限延时整定
0.1~99.9S,极差0.1S
反时限曲线K值
0.1~99.9


额定电压值
AC/DC:110V,220V
接通触点容量
DC:2220V(10A)
断开触点容量
DC:2220V(τ=5ms) 50W
动作延时
不大于15ms
返回延时
分闸≤15ms,其它回路15ms~3s可调。
动作电压
交流≤75%,直流≤70%
触点形式
1动合、1动合1信号、1转换、1转换1信号
额定电流
2~20A(无辅助电源),极差0.1A
速动倍速整定
2~9.9倍,极差0.1倍
速动延时整定
0~0.9S,极差0.1S
定时限延时整定
0.1~99.9S,极差0.1S
反时限曲线K值
0.1~99.9
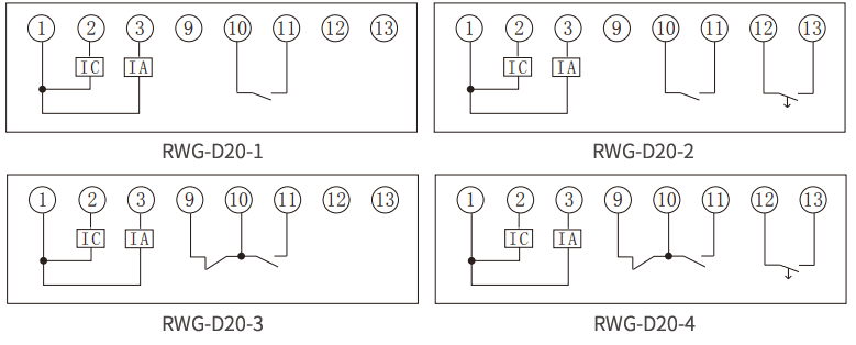
适用范围
用于两端供电线路的自动重合闸线路中。
相角差
20度~40度可调
返回系数
不小于0.8
功耗
不大于3VA
安装结构
嵌入式插拔结构
接线方式
板后接线、板前接线
联系电话
微信扫一扫
