


漏电动作电流
0.03、0.07、0.1、0.3、0.5、1、1.5、2、2.5、3A可调
动作时间
0.2、0.4、0.6、0.8、1、1.2、1.4、1.6、1.8、2S可调
动作电流精度
80%~100%
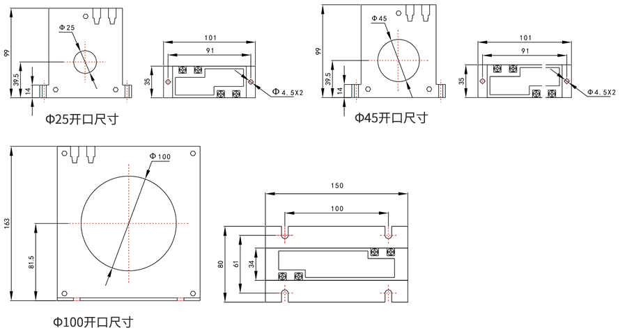
互感器孔径
25mm,45mm,100mm
控制电压
AC:220V;DC:12V、24V、48V
安装方式
35mm导轨条安装


漏电动作电流
0.03、0.07、0.1、0.3、0.5、1、1.5、2、2.5、3A可调
动作时间
0.2、0.4、0.6、0.8、1、1.2、1.4、1.6、1.8、2S可调
动作电流精度
80%~100%
互感器孔径
25mm,45mm,100mm
控制电压
AC:220V;DC:12V、24V、48V
安装方式
35mm导轨条安装


| 型号 | 开口尺寸 | 较大额定电流参考值(A) | 额定电压(V) |
| Y-25 | Φ25 | 0~100 | 690、660、380 |
| Y-45 | Φ45 | 0~200 | |
| Y-100 | Φ100 | 0~630 | |
| 注:特定产品需提前沟通注明 | |||

触点形式
2副转换触点
整定范围
2~99.9A
返回系数
0.85~0.95
返回时间
不大于27ms
交流额定值
5A,50Hz(可长期接通15A电流)
安装方式
35mm导轨安装
辅助电源
AC/DC:110V、220V
启动方式
电压启动、电流启动可选
电流型启动电流
0.01~4A
电压型启动电压
DC:110V、220V
复归类型
正极复归、负极复归可选
安装方式
35mm导轨条安装、面板安装
触点形式
2组转换瞬动、2组转换延时
延时范围
0.02~99.99S,极差0.01S;0.02S~999H
额定电压
AC/DC:110V,220V
触点容量
长期允许接通电流为5A(常规)
功率消耗
不大于2.5W(4.5VA)
安装方式
35mm导轨条安装
联系电话
微信扫一扫
