




 
    





产品型号:DZ-700/6300电磁式中间继电器;
额定电压:12V,24V,48V,110V,220V;
功率消耗: 在额定电压下不大于4W;
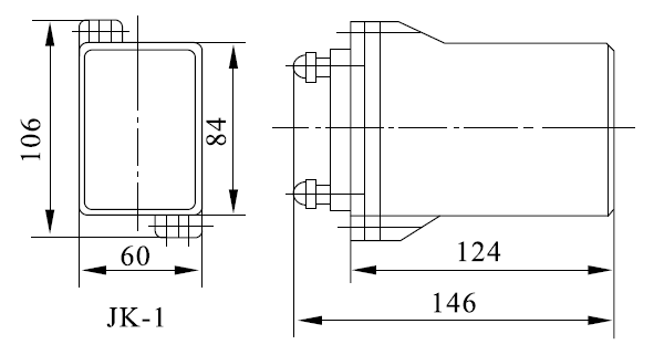
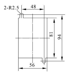
壳体形式:继电器采用JK-4壳体。
 
    1、继电器的额定电压及线圈电阻值见下表。

注:触点形式由4位数字组成,左起第一位表示动合触点数量;第二位表示动断触点数量;第三位表示转换触点数量;第四位表示过渡转换触点数量。 
2、继电器动作电压不大于额定电压的70%。
3、继电器返回电压不小于额定电压的5%。
4、继电器的动作时间不大于60ms。
5、功率消耗:在额定电压下不大于4W。
6、热性能:当环境温度为40℃时,继电器线圈长期耐受110%额定电压值,温升不超过65℃。
7、介质强度:继电器各导电电路连在一起与外露的非带电金属部分及外壳之间、线圈电路与触点电路之间,应能承受1kV(有效值)、50Hz的交流试验电压,历时1min,而无绝缘击穿或闪络现象。
8、触点断开容量:在直流有感(τ=5ms)回路,U≤250V,I≤2A,为20W;在交流(cosφ=0.4)回路,U≤250V,I≤2A,为80VA。
 




 
					 
					 
					 
					 
					 
					 
					 
					 
					 
					 
					 
					 
					 
					 
					