RZXL-D概述
RZXL-D继电器用于断路器合位监视,跳位监视,电源失电监视回路中,特别适合新型的进口开关。本产品具有启动电流小,启动线圈内阻大,交直流通用的特点。
具有以下特点:
1、RZ系列继电器是采用导轨式安装结构,体积小,安装方便。
2、跳位、合位采用电子光隔启动,启动电流小、内阻大、交直流通用。
3、辅助电源交直流通用。
4、采用多个进口小型密封继电器组成,功耗低发热小、动作时间快。
5、触点容量大。
RZXL-D技术参数
1、额定值:额定电压 DC/AC110V、220V、380V。
2、动作值:动作电压直流应不大于额定电压 70%,交流应不大于额定电压 80%;
3、动作时间:直流大不于15ms,交流不大于25ms。
4、触点容量:在电压不超过250V,电流不超过1A,时间常数为5ms±0.75ms直流有感负荷电路中,断开容量为150W;
   在电压不超过250V,电流不超过10A,功率因数为cosφ=0.4±0.1的交流电路中,断开容量为1500VA。输出触点在上述规定
   的负荷条件下,产品能可靠动作及返回5×104次。输出触点长期允许接通电流为5A。     
5、启动回路电流不大于1mA,启动回路内阻200K-500K之间(根据配合断路器电压等级不同而不同),订货时能提供所监视
   断路器跳合闸线圈的功率或内阻,方便出厂时准确调整好启动电流,保证使用时断路器不误动作。
6、功率消耗:在额定电压下不大于5W/5VA。
7、绝缘耐压:继电器所有电路对外壳及非带电金属部分,以及电气无联系的各电路之间耐受交流 50HZ电压2KV历时1分钟试验无击穿。
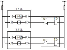
RZXL-D实例接线图
<div class="right"        
