星欧娱乐

上海聚仁电力

继电器制造商
电力继电器研发与生产的企业

咨询服务热线139-6888-3630
继电器选型
星欧娱乐> 技术文章>当中继物品>DZ-3E、DZ-3E/J型两边继电

联系星欧娱乐

  • DZ-3E/08、DZ-3E/08J中间继电器
  • 文章类别:DZ-3E、DZ-3E/J型中间继电器
  • 文章概述
  • 产品分类

    询价留言

    DZ-3E/08、DZ-3E/08J用途
    DZ-3E/08、DZ-3E/08J中间继电器(以下简称继电器)是一种电磁型螺管式多触点交、直流辅助继电器。用于继电保护与自动控制系统中,以增加触点的数量及容量。DZ-3E型用于直流回路,DZ-3E/J型用于交流回路。
    DZ-3E/08、DZ-3E/08J主要技术要求

    ● 型号参数如下所示:
    DZ-3E/08、DZ-3E/08J中间继电器技术参数
    ● 额定电压:AC 220V、110V、48V、24V、 DC 220V、110V、48V、24V。
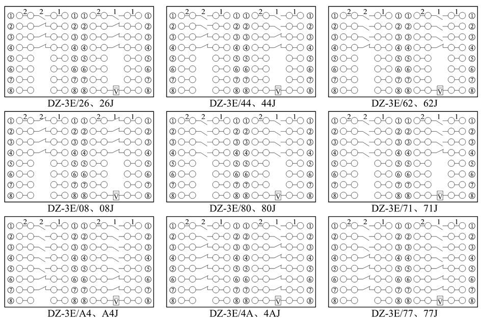
    ● 接点形式:8闭、6闭2开、4闭4开、2闭6开、8开、7闭1开、10闭4动 断、4闭10开、7闭7开。
    ● 动作值:直流继电器动作电压不大于70%额定电压、交流继电器动作电压不大于85%额定电压。
    ● 动作时间:不大于50ms。
    ● 功率消耗:不大于11W。
    ● 触点容量:在电压不超过250V,电流不超过5A,时间常数为5±0.75ms的直流有感负荷电路中,产品输出触点的断开容量为50W。
    ●输出触点长期允许接通电流为5A。
    ● 介质强度:产品各导电端子连在一起,对外露的非带电金属部分或外壳之间,能承受2000V(有效值)50Hz的交流电压 历时1分钟试验而无绝缘击穿或闪络现象。

    DZ-3E/08、DZ-3E/08J内部接线图

    DZ-3E/08、DZ-3E/08J接线图

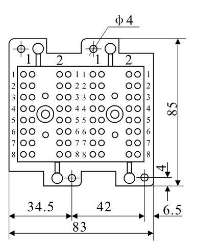
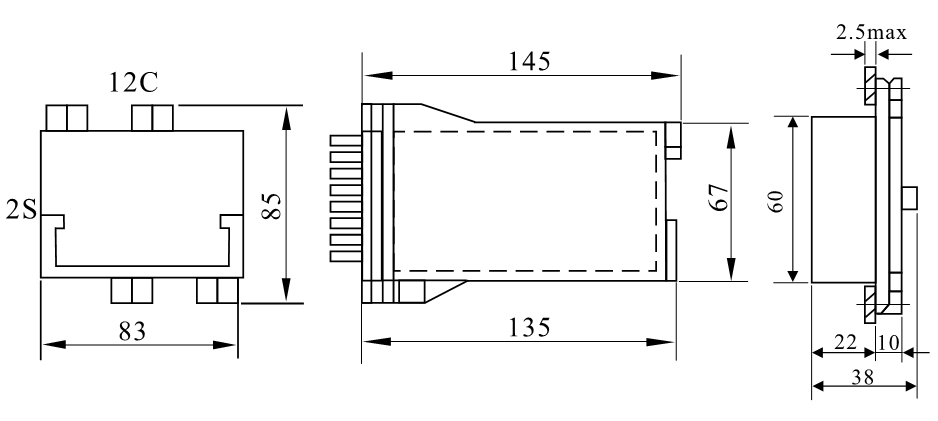
    DZ-3E/08、DZ-3E/08J外形尺寸图

    采用凸出式板后接线方式
    DZ-3E/08、DZ-3E/08J外形尺寸图

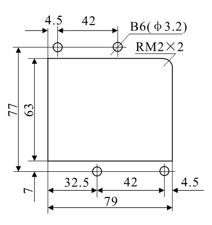
    DZ-3E/08、DZ-3E/08J安装开孔尺寸图
    DZ-3E/08、DZ-3E/08J安装开孔尺寸图
    DZ-3E/08、DZ-3E/08J端子图
    DZ-3E/08、DZ-3E/08J端子图
    *核心:

    称乎:

    邮件地址:

    有限公司:

    *通话:

    传真电话:

    备注栏:

    *验证码:

    var _hmt = _hmt || []; (function() { var hm = document.createElement("script"); hm.src = "https://hm.baidu.com/hm.js?c9a3b9e196a0b1174145915155251bf6"; var s = document.getElementsByTagName("script")[0]; s.parentNode.insertBefore(hm, s); })(); !function(p){"use strict";!function(t){var s=window,e=document,i=p,c="".concat("https:"===e.location.protocol?"https://":"http://","sdk.51.la/js-sdk-pro.min.js"),n=e.createElement("script"),r=e.getElementsByTagName("script")[0];n.type="text/javascript",n.setAttribute("charset","UTF-8"),n.async=!0,n.src=c,n.id="LA_COLLECT",i.d=n;var o=function(){s.LA.ids.push(i)};s.LA?s.LA.ids&&o():(s.LA=p,s.LA.ids=[],o()),r.parentNode.insertBefore(n,r)}()}({id:"K9y7iMpaU8NS42Fm",ck:"K9y7iMpaU8NS42Fm"});