
 
    

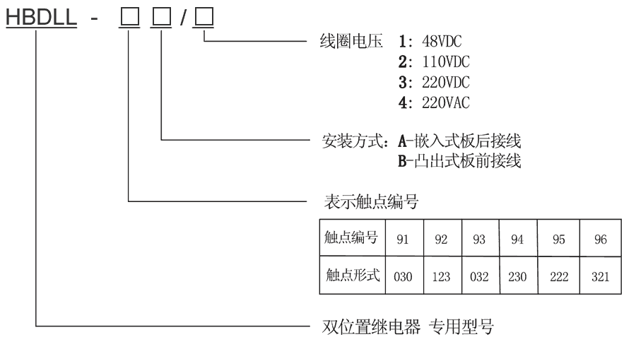
产品型号:HBDLL-93A/4
触点形式:3转换2常闭
线圈电压:AC220V
安装结构:嵌入式板后接线(可升级导轨)
 
    

| 额定参数 | |
| 额定电压 | 110V、220V(AC/DC) | 
| 动作电压 | ≤70%额定电压 | 
| 动作电流 | ≤80%较小额定电流 | 
| 动作时间 | ≤30ms | 
| 功耗 | ≤6W | 
| 安装方式及接线 | |
| 安装结构 | 导轨安装 | 
| 接线方式 | 端子排接线 | 
| 绝缘性能 | |
| 绝缘电阻 | 继电器外壳与外露带电端子之间用开路电压500V的兆欧表测量,绝缘电阻不小于10MΩ | 
| 绝缘耐压 | 继电器外壳与外露带电端子之间能耐受2KV(有效值)50Hz试验电压,历时1分钟,无击穿或闪络现象 | 
| 环境条件 | |
| 环境温度 | -15℃~55℃ | 
| 工作电压 | 不大于120%额定电压 | 
| 工作位置 | 任意 | 
| 周围磁场强度 | 小于0.5mT | 
| 环境相对湿度 | 不大于90% | 
| 大气压力 | 80~110KPa | 
| 温度 | -25℃~+70℃ | 
| 海拔高度 | 不大于2500 米 | 

| 型号 | 触点形式 | 动作电压 | 线圈电压 | 
| HBDLL-91 | 3转换 | ≤70%额定电压 | AC:220V,DC:48V、110V、220V | 
| HBDLL-92 | 1常开2转换3常闭 | ≤70%额定电压 | AC:220V,DC:48V、110V、220V | 
| HBDLL-93 | 3转换2常闭 | ≤70%额定电压 | AC:220V,DC:48V、110V、220V | 
| HBDLL-94 | 2常开3转换 | ≤70%额定电压 | AC:220V,DC:48V、110V、220V | 
| HBDLL-95 | 2常开2转换2常闭 | ≤70%额定电压 | AC:220V,DC:48V、110V、220V | 
| HBDLL-96 | 3常开2转换1常闭 | ≤70%额定电压 | AC:220V,DC:48V、110V、220V | 





 
					 
					 
					 
					 
					 
					 
					 
					 
					 
					 
					 
					 
					 
					 
					