
 
    

产品型号:HJS-91/2E时间继电器
延时范围:0.1秒~99.9秒
延时级差:100毫秒
延时类型:单延时
额定电压:110V、220V(AC/DC)
 
    
| 型号 | 延时范围 | 级差 | 触点类型 | 电源类型 | 
| HJS-E1/1 | 20毫秒~9.99秒 | 10毫秒 | 单延时(1常开1转换延时触点,1常开1转换瞬动触点) | AC/DC:110V、220V | 
| HJS-E1/2 | 0.1秒~99.9秒 | 100毫秒 | 单延时(1常开1转换延时触点,1常开1转换瞬动触点) | AC/DC:110V、220V | 
| HJS-E1/3 | 1秒~999秒 | 1秒 | 单延时(1常开1转换延时触点,1常开1转换瞬动触点) | AC/DC:110V、220V | 
| HJS-E1/4 | 1分~999分 | 1分 | 单延时(1常开1转换延时触点,1常开1转换瞬动触点) | AC/DC:110V、220V | 
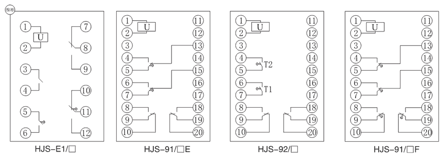
| HJS-91/1E | 20毫秒~9.99秒 | 10毫秒 | 单延时(2转换延时触点,2转换瞬动触点) | AC/DC:110V、220V | 
| HJS-91/2E | 0.1秒~99.9秒 | 100毫秒 | 单延时(2转换延时触点,2转换瞬动触点) | AC/DC:110V、220V | 
| HJS-91/3E | 1秒~999秒 | 1秒 | 单延时(2转换延时触点,2转换瞬动触点) | AC/DC:110V、220V | 
| HJS-91/4E | 1分~999分 | 1分 | 单延时(2转换延时触点,2转换瞬动触点) | AC/DC:110V、220V | 
| HJS-91/1F | 20毫秒~9.99秒 | 10毫秒 | 单延时(4转换延时触点) | AC/DC:110V、220V | 
| HJS-91/2F | 0.1秒~99.9秒 | 100毫秒 | 单延时(4转换延时触点) | AC/DC:110V、220V | 
| HJS-91/3F | 1秒~999秒 | 1秒 | 单延时(4转换延时触点) | AC/DC:110V、220V | 
| HJS-91/4F | 1分~999分 | 1分 | 单延时(4转换延时触点) | AC/DC:110V、220V | 
| HJS-92/1 | 20毫秒~9.99秒 | 10毫秒 | 双延时(2常开延时触点,2转换瞬动触点) | AC/DC:110V、220V | 
| HJS-92/2 | 0.1秒~99.9秒 | 100毫秒 | 双延时(2常开延时触点,2转换瞬动触点) | AC/DC:110V、220V | 
| HJS-92/3 | 1秒~999秒 | 1秒 | 双延时(2常开延时触点,2转换瞬动触点) | AC/DC:110V、220V | 
| HJS-92/4 | 1分~999分 | 1分 | 双延时(2常开延时触点,2转换瞬动触点) | AC/DC:110V、220V | 

| 额定参数 | |
| 直流额定电压 | 110V、220V可选 | 
| 交流额定电压 | 110V、220V可选 | 
| 直流动作电压 | ≤70%额定电压 | 
| 直流动作电压 | ≤75%额定电压 | 
| 延时范围 | 20毫秒~9.99秒、0.1秒~99.9秒、1秒~999秒、1分钟~999分钟 | 
| 返回时间 | ≤20mS | 
| 功耗 | ≤5W | 
| 安装方式及接线 | |
| 安装结构 | 导轨安装 | 
| 接线方式 | 端子排接线 | 
| 绝缘性能 | |
| 绝缘电阻 | 继电器外壳与外露带电端子之间用开路电压500V的兆欧表测量,绝缘电阻不小于10MΩ | 
| 绝缘耐压 | 继电器外壳与外露带电端子之间能耐受2KV(有效值)50Hz试验电压,历时1分钟,无击穿或闪络现象 | 
| 环境条件 | |
| 环境温度 | -15℃~55℃ | 
| 工作电压 | 不大于120%额定电压 | 
| 工作位置 | 任意 | 
| 周围磁场强度 | 小于0.5mT | 
| 环境相对湿度 | 不大于90% | 
| 大气压力 | 80~110KPa | 
| 温度 | -25℃~+70℃ | 
| 海拔高度 | 不大于2500 米 | 





 
					 
					 
					 
					 
					 
					 
					 
					 
					 
					 
					 
					 
					 
					 
					