概述
JX-12信号继电器应用于直流操作保护线路中,作为信号指示器用。继电器由电流或电压动作,灯光信号,磁保持,手复归或电复归。可靠性好,可替代原有的DX-11、DX-11A系列、DX-8、DX-8G系列,DXM-2A系列,DX-30系列等电磁型信号继电器。JX-12采用导轨安装结构,具有接线方便、多个拼接、整定精度高、动作准确等特点。
JX-12型号及其含义
JX-12工作原理

JX-12信号继电器由光电耦合和电阻等器件组成采样检测回路。当被测信号到达一定值时,光耦开通,开通信号经一个运算放大器放大,推动后级出口回路,使出口继电器动作。并由自保持回路进行自保持,在启动回路信号消失后继电器依然处于动作状态,只有在按下复归按钮或在复归端施加复归电压后,继电器方可返回。
 
JX-12主要特点
■动作速度快,克服了原电磁式继电器不能指示真空开关快速动作信号的缺陷。
■既具有就地复归方式,又具有远方复归方式,可实现远程控制。
■JX-12的复归方式有通电与断电两种,以便用户灵活选择。
■既有电保持,又有磁保持,信号记忆可靠,带有多组动合触点,既可接入LED光字牌或白炽灯光字牌,也能满足远传要求。
■电流启动型启动电流通用范围宽(0.01~2A),极大地便于用户选型和压缩库存。
■可导轨安装也可面板开孔安装。
JX-12启动类型及额定值
    
        
            | 型号 | 启动类型 | 启动值 | 可替代型号 | 
        
            | JX-11 | 电压型 | DC48V、DC110V、DC220V | DX11、DX11A | 
        
            | JX-12 | 电流型 | 0.01A~2A | DX11、DX11A | 
        
            | JX-21 | 电压型 | DC48V、DC110V、DC220V | DX8 | 
        
            | JX-22 | 电流型 | 0.01A~2A | DX8 | 
        
            | JX-31 | 电压型 | DC48V、DC110V、DC220V | DX31A、DX31B | 
        
            | JX-32 | 电流型 | 0.01A~2A | DX31A、DX31B | 
        
            | JX-21A | 电压型 | DC48V、DC110V、DC220V | DX8 | 
        
            | JX-21B | 电压型 | DC48V、DC110V、DC220V | DX8 | 
    
 
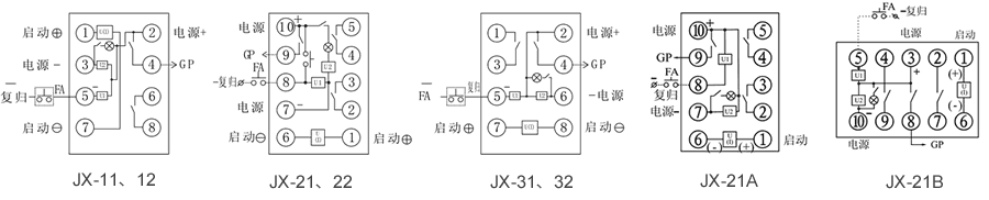
接线图
JX-12技术参数
    
        
            | 额定参数 | 
        
            | 电压型启动值 | DC48V、110V、220V可选 | 
        
            | 电流型启动值 | 0.01A~2A | 
        
            | 功耗 | ≤5W | 
        
            | 绝缘性能 | 
        
            | 绝缘电阻 | 继电器外壳与外露带电端子之间用开路电压500V的兆欧表测量,绝缘电阻不小于10MΩ | 
        
            | 绝缘耐压 | 继电器外壳与外露带电端子之间能耐受2KV(有效值)50Hz试验电压,历时1分钟,无击穿或闪络现象 | 
        
            | 环境条件 | 
        
            | 环境温度 | -15℃~55℃ | 
        
            | 工作电压 | 不大于120%额定电压 | 
        
            | 工作位置 | 任意 | 
        
            | 周围磁场强度 | 小于0.5mT | 
        
            | 环境相对湿度 | 不大于90% | 
        
            | 大气压力 | 80~110KPa | 
        
            | 温度 | -25℃~+70℃ | 
        
            | 海拔高度 | 不大于2500 米 | 
    
 
主要特点
导轨安装结构
嵌入式面板安装结构