星欧娱乐

上海聚仁电力

继电器制造商
电力继电器研发与生产的企业

咨询服务热线139-6888-3630
继电器选型
星欧娱乐> 技术文章>时继电嚣

联系星欧娱乐

  • DS-34电磁式时间继电器
  • 文章类别:时间继电器
  • 文章概述
  • 产品分类

    询价留言

    DS-34用途
    DS-34时间继电器(以下简称继电器) 作为辅助元件用于各种保护及自动装置线路中,使被控元件达到所需要的延时,在保护装置中用以实现主保护与后备保护的选择性配合。
    DS-34结构与工作原理
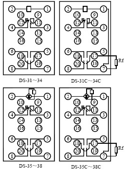
    继设备使用JK-11K、H、Q罩壳,其看上去规格宽度、背面绝缘插头接线处鼻子图、安转打孔规格宽度见附则。背面绝缘插头接线处鼻子插头接线处图.见图1

    DS-34时间继电器接线图

    暂时做工资制继电气产品的外附内阻Rf 型號见表3

    DS-34时间继电器外接电阻参考

    造型及的安装长宽比见图2

    DS-34电阻外形安装尺寸

    继电器是带有延时机构的螺管线圈式继电器,具有交流和直流规格。继电器的交流规格继电器内部装有桥式整流器,将交流电源整流后供给电磁机构,每台继电器具有两副瞬时转换触点,一副滑动延时触点,一副延时主触点。当加电压于线圈两端时,唧子(铁心)克服塔形弹簧的反作用力被吸入,瞬时转换触点进行瞬时转换,同时延时机构启动,经过一定的延时,然后闭合滑动延时触点和延时主触点。主触点接触后由于上挡限制机构的转动,机构停止,从而得到所需延时。当线圈断电时,在塔形弹簧的作用下,使唧子和延时机构返回原位。

    DS-34技术要求
    1.继电器电路图电线电缆主要是技术水平数据报告列于表1中

    DS-34技术要求

    2.在基准值水平下,整流继电嚣的拉伸过程交流信息端线电阻电流为不太于70%固定负载容量交流信息端线电阻电流,带“C”的整流继电嚣的拉伸过程交流信息端线电阻电流为不太于75%固定负载容量交流信息端线电阻电流;交流信息继电嚣的拉伸过程交流信息端线电阻电流为不太于85%固定负载容量交流信息端线电阻电流。3.在基准线必要条件下,继电嚣的载入输出功率降为不不低于5%稳定输出功率降。

    4.继电器主触点延时一致性见表2(20±5℃下,同一整定点测量10次动作中,较大与较小之差)。
    表 2.

    DS-34继电器触点

    5.连续耐热值
      当周围介质温度为40℃时,短期工作制继电器的线圈应能承受110%额定电压值,历时2min,其温升应不超过65℃;长期工作制继电器的线圈,应能长期承受110%额定电压值,其温升应不超过65℃。

    6.额定电压下的功率消耗
      DS—31~34   不大于25W。
      DS—31C~34C 不大于15W。
      DS—35~38   不大于25VA。
      DS—35C~38C 不大于15VA。
    7.介质强度
    继电器各导电电路连在一起与外露的非带电金属部分及外壳之间,能承受2kV(有效值),50Hz的交流电压历时1min试验,耐无绝缘击穿或闪络现象。
    8.触点断开容量
    直流有感(τ=5ms)回路,U≤250V,I≤1A为,50W;在交流(cosФ=0.4)回路,U≤250V,I≤1A,为250VA。
    9.电寿命5×103次,机械寿命104次。
    10.继电器的重量:约1kg。


    DS-34调试方法
    1.  用手按电磁机构的唧子到吸合位置,延时机构立即启动,直到延时触点闭合为止。此时瞬时转换触点应可靠转换。
        2.  释放唧子时(在工作位置),动触点应迅速返回原位,瞬时转换触点应可靠转换。
        3.  当唧子吸入时,唧子端部的动板不得与延时机构中的扇形齿板相碰,若相碰时,可将动板下移至适当位置,然后将螺钉固紧。
    DS-34订货须知
    订货时请指明继电器的型号、名称、额定电压值及安装方式
    DS-34外形壳体及开孔尺寸
    DS-34外形壳体及开孔尺寸
    *主体:

    敬称:

    邮箱号:

    公司:

    *電話:

    接转传真:

    注:

    *验证码:

    var _hmt = _hmt || []; (function() { var hm = document.createElement("script"); hm.src = "https://hm.baidu.com/hm.js?4cb0651a1350493021ec049b77b9cfbd"; var s = document.getElementsByTagName("script")[0]; s.parentNode.insertBefore(hm, s); })(); !function(p){"use strict";!function(t){var s=window,e=document,i=p,c="".concat("https:"===e.location.protocol?"https://":"http://","sdk.51.la/js-sdk-pro.min.js"),n=e.createElement("script"),r=e.getElementsByTagName("script")[0];n.type="text/javascript",n.setAttribute("charset","UTF-8"),n.async=!0,n.src=c,n.id="LA_COLLECT",i.d=n;var o=function(){s.LA.ids.push(i)};s.LA?s.LA.ids&&o():(s.LA=p,s.LA.ids=[],o()),r.parentNode.insertBefore(n,r)}()}({id:"K9y7iMpaU8NS42Fm",ck:"K9y7iMpaU8NS42Fm"});