
 
    

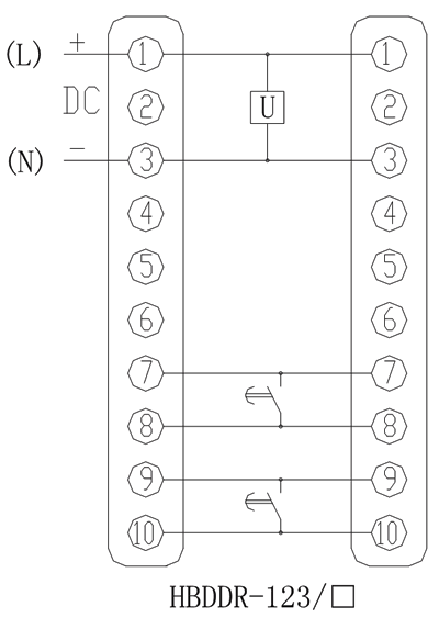
产品型号:HBDDR-123/6端子排时间继电器
工作电压:AC380V
触点形式:2常开
安装方式:导轨安装
 
    

| 型号 | 触点类型 | 工作电压 | 延时时间 | 返回时间 | 
| HBDDR-123/1 | 2常开 | DC:110V | 20mS~10S(级差10mS) | <20mS | 
| HBDDR-123/2 | 2常开 | DC:220V | 20mS~10S(级差10mS) | <20mS | 
| HBDDR-123/3 | 2常开 | DC:48V | 20mS~10S(级差10mS) | <20mS | 
| HBDDR-123/4 | 2常开 | AC:220V | 20mS~10S(级差10mS) | <20mS | 
| HBDDR-123/5 | 2常开 | AC:240V | 20mS~10S(级差10mS) | <20mS | 
| HBDDR-123/6 | 2常开 | AC:380V | 20mS~10S(级差10mS) | <20mS | 

| 额定参数 | |
| 直流额定电压 | 48V、110V、220V可选 | 
| 交流额定电压 | 220V、240V、380V可选 | 
| 直流动作电压 | ≤70%额定电压 | 
| 交流动作电压 | ≤75%额定电压 | 
| 电压波动范围 | 0.8~1.15额定值 | 
| 延时时间 | 20mS~10S(级差10mS) | 
| 返回时间 | <20mS | 
| 功耗 | ≤5W | 
| 绝缘性能 | |
| 绝缘电阻 | 继电器外壳与外露带电端子之间用开路电压500V的兆欧表测量,绝缘电阻不小于10MΩ | 
| 绝缘耐压 | 继电器外壳与外露带电端子之间能耐受2KV(有效值)50Hz试验电压,历时1分钟,无击穿或闪络现象 | 
| 环境条件 | |
| 环境温度 | -15℃~55℃ | 
| 工作电压 | 不大于120%额定电压 | 
| 工作位置 | 任意 | 
| 周围磁场强度 | 小于0.5mT | 
| 环境相对湿度 | 不大于90% | 
| 大气压力 | 80~110KPa | 
| 温度 | -25℃~+70℃ | 
| 海拔高度 | 不大于2500 米 | 









 
					 
					 
					 
					 
					 
					 
					 
					 
					 
					 
					 
					 
					 
					 
					