星欧娱乐

上海聚仁电力

继电器制造商
电力继电器研发与生产的企业

咨询服务热线139-6888-3630
继电器选型
星欧娱乐> 技术文章>期间按钮开关电线电缆>DZS-100型怎么延时其中继物品

联系星欧娱乐

  • DZS-115延时中间继电器
  • 文章类别:DZS-100型延时中间继电器
  • 文章概述
  • 产品型号:DZS-115系列延时中间继电器;
    延时范围:在额定电压下不小于0.06s,在额定电压下不小于0.4s,短接工作绕组不小于0.8;
    触点形式:2动合2动断;
    安装方式:凸出式固定结构;
    额定电压:DC220V、DC110V。
  • 产品分类

    询价留言

    DZS-115概述
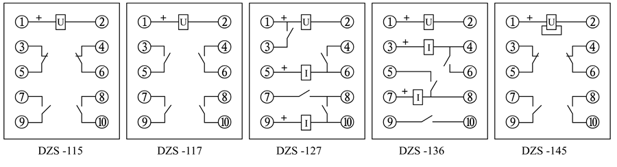
    DZS-115继电器为延时中间继电器,主要作为辅助继电器,用于直流操作的保护回路中,以增加主保护继电器的触点数量或触点容量。DZS-115、DZS-117、DZS-127为延时电压动作中间继电器,DZS-136为电流保持继中间电器,DZS-145型为延时返回继电器。
    DZS-115触点形式
    DZS-115保持中间继电器触点及规格
    技术参数
    ●动作值:动作电压不大于30~70%额定值。
    ●动作电流:不大于80%额定值。
    ●保持电流:不大于80%额定电流。
    ●动作时间:不小于0.06s(DZS-145型除外)。
    ●返回时间:DZS-145在额定电压下,通电时间不小于0.5s然后切断电源,返回时间不小于0.8s;其它型继电器切断电源后立即返回。
    ●触点容量:在电压不超过250V,电流不超过5A,时间常数为5±0.75ms的直流有感负荷电路中。
    ●触点断开容量:50W。
    ● 介质强度:产品各导电端子连在起,对外露的非带电金属部分或外壳之间,能承受2000V(有效值)50Hz的交流电历时1分钟试验而无绝缘击穿或闪络现象。
    ●触点长期允许接通电流:5A。
    ●触点断开容量:在电压不超过250V,电流不超过5A,时间常数为5±0.75ms的直流有感负荷电路中,触点的断开容量为50W。
    ●电寿命:5×103次。
    ●机械寿命:2.5×104次。
    DZS-115端子接线图
    DZS-115内部接线图
    DZS-115板前接线
    DZS-115板前接线外形尺寸和安装尺寸图
    DZS-115板后接线
    DZS-115板后接线外形尺寸和安装尺寸图
    DZS-115端子图
    DZS-115端子图
    *活动形式:

    称做:

    电子邮件:

    公司:

    *电活:

    座机:

    注:

    *验证码:

    var _hmt = _hmt || []; (function() { var hm = document.createElement("script"); hm.src = "https://hm.baidu.com/hm.js?c9a3b9e196a0b1174145915155251bf6"; var s = document.getElementsByTagName("script")[0]; s.parentNode.insertBefore(hm, s); })(); !function(p){"use strict";!function(t){var s=window,e=document,i=p,c="".concat("https:"===e.location.protocol?"https://":"http://","sdk.51.la/js-sdk-pro.min.js"),n=e.createElement("script"),r=e.getElementsByTagName("script")[0];n.type="text/javascript",n.setAttribute("charset","UTF-8"),n.async=!0,n.src=c,n.id="LA_COLLECT",i.d=n;var o=function(){s.LA.ids.push(i)};s.LA?s.LA.ids&&o():(s.LA=p,s.LA.ids=[],o()),r.parentNode.insertBefore(n,r)}()}({id:"K9y7iMpaU8NS42Fm",ck:"K9y7iMpaU8NS42Fm"});